外观
约 249 字小于 1 分钟
2025-12-30
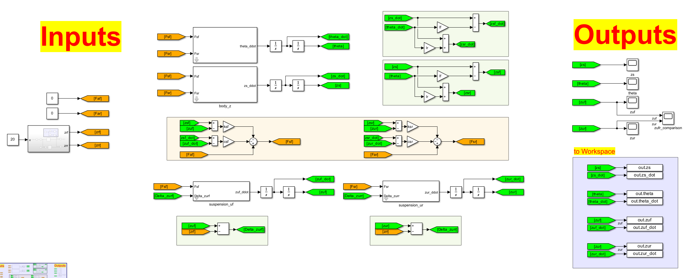
根据上一节所建立的悬架数学模型,包括2DOF、4DOF、7DOF的动力学模型,可以在Simulink中搭建这些数学模型的仿真模型,如下三图所示:
对其仿真并进行数据分析及绘图,可以得到下面的分析图像:
版权归属:Duangce
许可证:署名 4.0 国际 (CC-BY-4.0)